一台75kw的搅拌电机,用什么方式控制比较靠谱
2022-07-29 科威电气
HCTM-5系列红外成像仪测温在电力变压器中的应用
2022-07-28 科威电气
变压器绕组温度会低于油面温度吗?
2022-07-26 科威电气
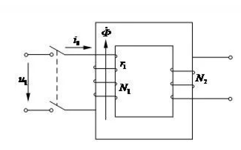
变压器励磁电流大小是否可以控制
零序保护和间隙保护,不需要随中性点运行状态进行投退
2022-07-16 科威电气
变压器差动保护以及电流互感器极性交流问答
2022-06-30 科威电气
KW-CW200系列无源无线测温技术为大唐安全发电保驾护航
2022-06-15 科威电气
检测技术与仪表六大热工参量变送器
2022-06-11 科威自控