新闻动态

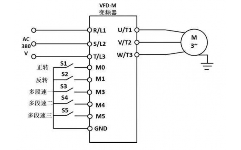
  • 变频器的矢量控制和V/F控制你了解​吗?

    变频器的矢量控制和V/F控制是两种常见的电机控制方式,它们在原理、性能、应用场景等方面存在显著差异。以下将从多个角度详细分析这两种控制方式,并结合我搜索到的资料进行说明。

    2025-05-28 科威

  • DCS、PLC、GDS、SIS仪表系统隐患排查要点

    核心标准依据在 DCS 系统检测中,GB/T 50770-2013《石油化工安全仪表系统设计规范》明确划定 “硬指标”:控制室需维持恒温恒湿环境,温度稳定在 20±2℃,湿度不超过 60% RH;控制器冗余切换需在 100ms 内完成,输出波动范围控制在量程的 ±0.5% 以内。国际标准 IEC 61511-1:2016 则要求 SIL2 级以上系统必须采用 1oo2D 硬件冗余架构,EEMUA 191:2013 更对报警管理提出量化标准 —— 单画面报警不得超过 10 条,紧急报警优先显示。

    2025-05-23 科威

  • 在线分析小屋气体报警仪的设置

    在线气体分析小屋,在工业流程里扮演着不可或缺的角色。它的安全保障涉及多个维度,从电气防爆到通风报警,从危险标识到联锁控制,每一个环节都有严格的标准规范。GB 29812-2013 中,对分析小屋的危险标识、防爆要求等都有着细致入微的规定。

    2025-05-23 科威

  • 热电阻热电偶选型、插入深度、扩大管的应用

    温度开云手机站登入界面深度插入 :未明确规定具体温度仪表在各类介质管道或设备中的插入深度数值,但强调温度检测元件的安装位置和插入深度应能正确反映被测对象的温度,避免因安装位置不当或插入深度不足导致测量误差过大,影响温度测量的准确性和可靠性。

    2025-05-19 科威

  • 为什么DCS系统DI和DO带中间继电器?

    DI指进入DCS系统或PLC的开关量输入信号,DI输入必须是无源触点TTL或CMOS电平信号,DI进入DCS系统或PLC后常会接通DC24V或者DC48V查询电压。

    2025-04-21 科威

  • 控制蝶阀故障原因分析

    车间装置因锅炉B01烟气入口蝶阀故障关闭,装置紧急停工,具体情况如下:

    2024-12-09 科威

  • 电液执行器在钢铁行业热风温度控制中的应用

    ,一家主要的钢铁制造商在其高炉操作中采用了电液执行器,用于精确定位冷风混合阀。该阀门的作用是将冷风与主风流中的热风混合,从而维持进料空气温度的稳定。

    2024-10-30 科威

  • I/O板故障原因分析

    装置冰机故障停机,仪表人员检查发现安装在压缩机冷凝器的电源控制箱因振动大个别端子松动,仪表人员检查处理后冰机具备开车条件。

    2024-10-25 科威

上一页1234567...14下一页 转至第
首页
产品
新闻
联系