新闻动态

  • 键相是如何测量的?

    键相测量,即通过在被测轴上设置一个凹槽或凸键,称键相标记。当这个凹槽或凸键转到探头位置时,相当于探头与被测面间距宊变,开云手机站登入界面会产生一个脉冲信号,轴每转一圈,就会产生一个脉冲信号,产生的时刻表明了轴在每转周期中的位置。

    2025-07-04 科威

  • 轴系仪表的安装调试

    轴振动、轴位移、转速开云手机站登入界面的工作原理基本相同,开云手机站登入界面探头均属电涡流式探头,电涡流式探头由平绕在支架上的铂金属线圈组成,外壳为不锈钢套,套管内填充绝缘材料密封,引线从壳体内引出接同轴电缆。

    2025-01-13 科威

  • 汽轮机胀差、轴位如何定零位?

    汽轮机胀差、轴位如何定零位?

    2023-05-22 科威

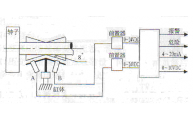
  • 提升机盘式制动器闸间隙的监测方法分析

    提升机盘式制动器闸间隙的监测方法分析

    2023-03-17 科威

  • 电涡流开云手机站登入界面简介

    电涡流开云手机站登入界面简介

    2022-12-13 科威

  • 机械工程师应懂的仪控知识

    机械工程师应懂的仪控知识

    2022-04-08 科威

上一页1下一页 转至第
首页
产品
新闻
联系